Главная
Каталог
Инструмент для резки и обработки
Инструмент для обработки камня
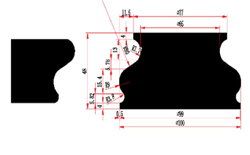
Профильные круги для обрабатывающих центров
Профильные круги для обрабатывающих центров
Профильные круги для обрабатывающих центров
Связь с ведущим специалистом +7 (495) - 505 - 79 - 78 / info@vegasd.ru
-
Особенности
1.
2.
3.
4.
5.
6.
7.
8.
9.
10.
11.
12.
13.
14.
15.
16.
17.
18.
19.
20.
21.
22.
23.
24.
25.
26.
27.
28.
29.
30.
31.
32.
33.
34.
35.
36.
37.
38.
39.
40.
Доставка товара
- Доставка до любой точки России транспортными компаниями
- Срочная доставка DHL (2 дня в любую точку России)
- Поставка "под заказ" от 5 до 10 дней.
Оплата товара
Наличный и безналичный расчет
Гарантия
Официальная гарантия от производителя
Сервис
Ремонт и обслуживание
-
Отзывы
ВЫ НЕДАВНО СМОТРЕЛИ
Механика
RJ-6100-54 Lower Cross Bar
по запросу
Заказать товар
Электронные платы
Электронная плата/AJ-1000 Assy, Print Carriage Board
45 100 руб. с НДС
Заказать товар
Плоские вытянутые
Лезвие ножа TC Z 44-A (26.60.340-A)
по запросу
Заказать товар
Почему выбирают нас

ОФИЦИАЛЬНЫЙ ПАРТНЕР
ПРЕДСТАВЛЕННЫХ БРЕНДОВ

100% ГАРАНТИЯ
НА ВСЕ ТОВАРЫ НАШЕГО МАГАЗИНА

ВЫСОКИЕ СТАНДАРТЫ
КАЧЕСТВА

ЗНАЕМ ЦЕНУ ВРЕМЕНИ
РАБОТАЕМ В СРОК
Нам доверяют






Доставка и оплата
Сервис